Để sở hữu một không gian bán hàng lưu động vừa đẹp vừa bền lại tối ưu công năng, việc hiểu rõ quy trình sản xuất là điều vô cùng quan trọng. Hãy cùng khám phá quy trình đóng xe trà sữa tại Kanawa – nơi biến những khung inox thô sơ thành những sản phẩm hiện đại và khác biệt nhất thị trường hiện nay.

1. Quy trình đóng xe trà sữa chuyên nghiệp tại Kanawa
Tại Kanawa, quy trình sản xuất được chuẩn hóa để đảm bảo mỗi sản phẩm xuất xưởng đều đạt độ hoàn mỹ về cả công năng lẫn thẩm mỹ. Chúng tôi cam kết mang đến trải nghiệm dịch vụ minh bạch, giúp khách hàng sở hữu phương tiện kinh doanh tối ưu nhất.
1.1. Bước 1: Tiếp nhận yêu cầu
Mọi quy trình tại Kanawa đều bắt đầu từ việc lắng nghe và thấu hiểu mong muốn thực tế của khách hàng. Chúng tôi ghi nhận cụ thể về quy mô kinh doanh, phong cách thương hiệu và các tính năng đặc thù cần có trên xe để tạo ra nền tảng vững chắc cho các bước triển khai tiếp theo.

1.2. Bước 2: Tư vấn và báo giá
Dựa trên những thông tin ban đầu, đội ngũ chuyên gia sẽ tư vấn giải pháp tối ưu về chất liệu, kích thước và tiện ích đi kèm nhằm cân bằng giữa nhu cầu và ngân sách. Sau đó, một bản báo giá chi tiết, minh bạch sẽ được gửi đến khách hàng, đảm bảo không phát sinh chi phí ẩn trong suốt quá trình đóng xe trà sữa.
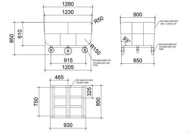
1.3. Bước 3: Lên thiết kế
Đây là giai đoạn biến ý tưởng thành hình ảnh trực quan thông qua các bản vẽ kỹ thuật chuyên nghiệp. Khách hàng có thể dễ dàng hình dung diện mạo tương lai của chiếc xe, từ cách bài trí quầy kệ, hệ thống ánh sáng đến các chi tiết nhận diện thương hiệu. Từ đó, khách hàng có thể đưa ra những điều chỉnh kịp thời trước khi đi vào sản xuất.

1.4. Bước 4: Gia công và hoàn thiện
Tại xưởng sản xuất, các thợ lành nghề sẽ tiến hành cắt, hàn và lắp ráp khung xe bằng máy móc hiện đại theo đúng bản vẽ đã phê duyệt. Quy trình này đòi hỏi sự tỉ mỉ trong từng mối hàn, đảm bảo xe không chỉ đẹp mắt mà còn vận hành bền bỉ trong điều kiện di chuyển liên tục.

1.5. Bước 5: Bàn giao & hướng dẫn
Sau khi trải qua các bước kiểm định chất lượng khắt khe, chiếc xe hoàn thiện sẽ được bàn giao tận tay khách hàng. Kanawa cung cấp tài liệu hướng dẫn sử dụng các trang thiết bị đi kèm và tư vấn cách bảo trì định kỳ. Nhờ đó giúp chủ quán tự tin vận hành xe một cách hiệu quả và an toàn ngay từ ngày đầu khai trương.

2. Báo giá trọn gói dịch vụ đóng xe trà sữa tại Kanawa
Việc nắm rõ chi phí đầu tư là bước quan trọng giúp bạn chủ động kế hoạch tài chính và lựa chọn được mẫu xe tối ưu cho mô hình kinh doanh của mình. Tại Kanawa, chúng tôi cung cấp dịch vụ đóng xe theo yêu cầu với mức giá tận xưởng, đảm bảo sự cân bằng hoàn hảo giữa chất lượng và thẩm mỹ hiện đại.

Dưới đây là bảng báo giá chi tiết các dòng xe trà sữa phổ biến nhất tại Kanawa để bạn tham khảo:
|
Loại xe |
Miền Bắc |
Miền Nam |
|
90cm |
5.500.000đ |
6.000.000đ |
|
1m |
6.000.000đ |
6.500.000đ |
|
1.2m |
6.800.000đ |
7.500.000đ |
|
1.5m |
8.000.000đ |
8.500.000đ |
|
1.6m |
8.500.000đ |
9.000.000đ |
|
1.8m |
9.000.000đ |
9.500.000đ |
|
2m |
12.000.000đ |
13.000.000đ |
NOTE: Giá trong bảng trên chỉ mang tính chất tham khảo, vui lòng truy cập danh mục Xe đẩy bán trà sữa Kanawa để biết giá chính xác!
3. Vì sao nên lựa chọn Kanawa làm đơn vị đóng xe trà sữa?
Lựa chọn Kanawa chính là chọn một đối tác đồng hành tin cậy trên con đường khởi nghiệp của bạn. Dưới đây là những lý do khiến hàng nghìn khách hàng tin tưởng và lựa chọn chúng tôi để đóng xe trà sữa:

- Sự chuyên nghiệp và sáng tạo: Đội ngũ kỹ sư tại Kanawa luôn cập nhật những xu hướng thẩm mỹ mới nhất để mang đến các mẫu xe có thiết kế độc bản, không bị hòa lẫn trên thị trường. Chúng tôi tư vấn tận tâm từ kết cấu khung xương đến cách bố trí ánh sáng, giúp tối ưu hóa không gian làm việc và thu hút khách hàng từ cái nhìn đầu tiên.
- Ưu đãi lớn khi mua hàng: Khi ký hợp đồng đóng xe trà sữa, bạn sẽ được tặng ngay bộ file thiết kế và decal trang trí độc quyền trị giá 400.000đ cùng phiếu giảm giá 200.000đ cho các đơn hàng tiếp theo. Đặc biệt, Kanawa hỗ trợ chính sách freeship lên đến 100% trên phạm vi toàn quốc, giúp bạn tiết kiệm tối đa chi phí đầu tư ban đầu.
- Chất lượng & độ hoàn thiện đúng nhu cầu: Mỗi chiếc xe xuất xưởng đều được gia công từ inox cao cấp, đảm bảo độ sáng bóng, chống gỉ sét và chịu lực cực tốt trong điều kiện thời tiết khắc nghiệt. Chúng tôi cam kết sản phẩm hoàn thiện chính xác từng milimet so với bản vẽ, đáp ứng hoàn hảo mọi công năng mà bạn yêu cầu cho mô hình kinh doanh của mình.
- Chính sách hậu mãi hấp dẫn: Kanawa tự hào với dịch vụ chăm sóc khách hàng chu đáo qua chính sách bảo hành 12 tháng chính hãng và cam kết giao hàng hỏa tốc. Trong suốt quá trình sử dụng, đội ngũ kỹ thuật luôn sẵn sàng hỗ trợ lắp đặt, bảo trì và sửa chữa tận nơi, giúp công việc kinh doanh của bạn luôn vận hành xuyên suốt và ổn định.

>>> Có thể bạn quan tâm: Mở xe trà sữa cần những gì? TOP 9 quan trọng cần chuẩn bị
4. Gợi ý 15+ mẫu xe trà sữa tiện dụng, nổi bật nhất
Giữa vô vàn sự lựa chọn trên thị trường, một chiếc xe có thiết kế thông minh và diện mạo hút mắt chính là “chìa khóa” thu hút khách hàng ngay từ cái nhìn đầu tiên. Nếu bạn đang phân vân chưa biết chọn phong cách nào cho tâm huyết kinh doanh của mình, hãy cùng Kanawa khám phá những xu hướng mới nhất.
Dưới đây là tổng hợp 15+ mẫu xe trà sữa hiện đại, bền bỉ và dễ dàng vận hành đang được săn đón nhất hiện nay:













Với quy trình đóng xe trà sữa chuẩn kỹ thuật và tỉ mỉ trong từng chi tiết, Kanawa tự tin mang đến cho bạn sản phẩm không chỉ bền bỉ mà còn có thẩm mỹ cao. Hãy để chúng tôi giúp bạn tạo nên một không gian bán hàng ấn tượng, thu hút mọi ánh nhìn ngay.